Trapezoidal Ball Screw (4.002.01.4006.03)
Popis
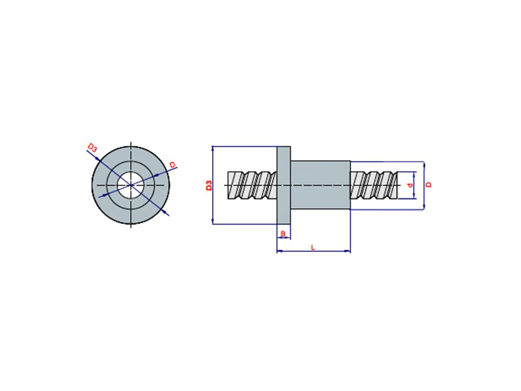
| Code | Name | Type | L max | D3 | B | L | d | D | Type 2 | Lenght (mm) |
|---|---|---|---|---|---|---|---|---|---|---|
| 4.002.01.1604.03 | Trapezoidal Ball Screw | TR 16-04 | 3000 mm | - | - | - | 16 | - | - | 1000 |
| 4.002.01.1604.02 | Trapezoidal Flanged nut | TR 16-04 | - | 48 | 10 | 43 | 16 | 28 | - | |
| 4.002.01.2004.03 | Trapezoidal Ball Screw | TR 20-04 | 3000 mm | - | - | - | 20 | - | - | 1000 |
| 4.002.01.2004.02 | Trapezoidal Flanged nut | TR 20-04 | - | 58 | 10 | 43 | 20 | 36 | - | |
| 4.002.01.2505.03 | Trapezoidal Ball Screw | TR 25-05 | 3000 mm | - | - | - | 25 | - | - | 1000 |
| 4.002.01.2505.02 | Trapezoidal Screw Nut | TR 25-05 | - | 63 | 10 | 43 | 25 | 40 | - | |
| 4.002.01.3006.03 | Trapezoidal Ball Screw | TR 30-06 | 3000mm | - | - | - | 30 | - | - | 1000 |
| 4.002.01.3006.02 | Trapezoidal Flanged Nut | TR 30-06 | - | 68 | 12 | 50 | 30 | 40 | - | |
| 4.002.01.4006.03 | Trapezoidal Ball Screw | TR 40-06 | 3000 mm | - | - | - | 40 | - | - | 1000 |
| 4.002.01.4006.02 | Trapezoidal Screw Nut | TR 40-06 | - | 90 | 14 | 70 | 40 | 60 | - |
Podobné produkty
Buďte první, kdo napíše příspěvek k této položce.
Přidat komentář