Short Pitch Ball Screw Ø40 - 10 (4.001.01.4010.03)
Popis
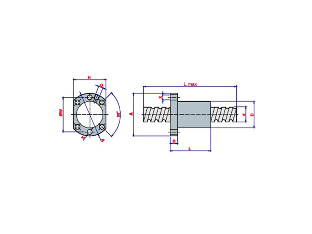
| Code | Name | Type | L max | A | X | H | W | B | L | d | D | Q | Ca (Kgf) | Coa (Kgf) | Lenght (mm) |
|---|---|---|---|---|---|---|---|---|---|---|---|---|---|---|---|
| 4.001.01.1605.03 | Short Pitch Ball Screw Ø16 - 05 | - | 4000 mm | - | - | - | - | - | - | 16 | - | - | - | - | 1000 |
| 4.001.01.1605.02 | Flanged Nut Ø16 - 05 | 1605 FSU | - | 48 | 5,5 | 40 | 38 | 10 | 43 | - | 28 | M6 | 780 | 1790 | |
| 4.001.01.1610.03 | Short Pitch Ball Screw Ø16 - 10 | - | 4000 mm | - | - | - | - | - | - | 16 | - | - | - | - | 1000 |
| 4.001.01.1610.02 | Flanged Nut Ø16 - 10 | 1610 FSU | - | 48 | 5,5 | 40 | 38 | 10 | 47 | - | 28 | M6 | 721 | 1249 | |
| 4.001.01.2005.03 | Short Pitch Ball Screw Ø20 - 05 | - | 4000 mm | - | - | - | - | - | - | 20 | - | - | - | - | 1000 |
| 4.001.01.2005.02 | Flanged Nut Ø20 - 05 | 2005 FSU | - | 58 | 6,6 | 44 | 47 | 10 | 43 | - | 36 | M6 | 1100 | 2280 | |
| 4.001.01.2010.03 | Short Pitch Ball Screw Ø20 - 10 | - | 4000 mm | - | - | - | - | - | - | 20 | - | - | - | - | 1000 |
| 4.001.01.2010.02 | Flanged Nut Ø20 - 10 | 2010 FSU | - | 58 | 6,6 | 44 | 47 | 10 | 43 | - | 36 | M6 | 830 | 1680 | |
| 4.001.01.2505.03 | Short Pitch Ball Screw Ø25 - 05 | - | 6000 mm | - | - | - | - | - | - | 25 | - | - | - | - | 1000 |
| 4.001.01.2505.02 | Flanged Nut Ø25 - 05 | 2505 FSU | - | 63 | 6,6 | 48 | 51 | 10 | 43 | - | 40 | M6 | 1250 | 3070 | |
| 4.001.01.2510.03 | Short Pitch Ball Screw Ø25 - 10 | - | 6000 mm | - | - | - | - | - | - | 25 | - | - | - | - | 1000 |
| 4.001.01.2510.02 | Flanged Nut Ø25 - 10 | 2510 FSU | - | 63 | 6,6 | 48 | 51 | 10 | 54 | - | 40 | M6 | 1944 | 3877 | |
| 4.001.01.3205.03 | Short Pitch Ball Screw Ø32 - 05 | - | 6000 mm | - | - | - | - | - | - | 32 | - | - | - | - | 1000 |
| 4.001.01.3205.02 | Flanged Nut Ø32 - 05 | 3205 FSU | - | 81 | 9 | 62 | 65 | 10 | 52 | - | 50 | M6 | 1400 | 4080 | |
| 4.001.01.3210.03 | Short Pitch Ball Screw Ø32 - 10 | - | 6000 mm | - | - | - | - | - | - | 32 | - | - | - | - | 1000 |
| 4.001.01.3210.02 | Flanged Nut Ø32 - 10 | 3210 FSU | - | 81 | 9 | 62 | 65 | 14 | 90 | - | 50 | M6 | 3390 | 7170 | |
| 4.001.01.4010.03 | Short Pitch Ball Screw Ø40 - 10 | - | 6000 mm | - | - | - | - | - | - | 40 | - | - | - | - | 1000 |
| 4.001.01.4010.02 | Flanged Nut Ø40 - 10 | 4010 FSU | - | 93 | 9 | 70 | 78 | 14 | 93 | - | 63 | M6 | 3850 | 9470 |
Podobné produkty
Buďte první, kdo napíše příspěvek k této položce.
Přidat komentář